
Цилиндро-червячные мотор-редукторы PCRV: характеристики, устройство, принцип работы, стоимость |
|
Цилиндро-червячный мотор-редуктор серии PCRV состоит из червячного редуктора NMRV и цилиндрической ступени PC. В отличии от редукторов NMRV цилиндрическая ступень имеет только одно значение передаточного отношения (3,5). Ступень PC поставляется в четырех типоразмерах: PC 63, PC71, PC80, PC90. Ступень устанавливается между электродвигателем и редуктором и позволяет получить диапазон передаточных чисел 75 – 320. Корпус из алюминиевого сплава. Шестерни выполнены из закаленного сплава 20MnCr5 (UNI7846). |
|
-
Типоазмер 63/40 - 63/50 - 63/63 - 71/50 - 71/63 - 71/75 - 71/90 - 80/75 - 80/90 - 80/110 - 80/130 - 90/110 - 90/130
-
Диапазон передаточных отношений 75 - 320
-
Мощность электродвигателя 0,12 - 1,5 квт
-
Диапазон крутящего момента 68 - 2150 Нм
Выходные обороты и мощность электродвигателей (кВт)
УСЛОВИЯ ПРИМЕНЕНИЯ
- нагрузка постоянная или переменная, одного направления и реверсивная
- температура окружающей среды от -40 до +50°С
- влажность не более 95%
- Внешняя среда неагрессивная, запыленность не более 10 мг/м3
- высота над уровнем моря - не более 1000м
- работа постоянная и с периодическими остановками (без ударов и толчков)
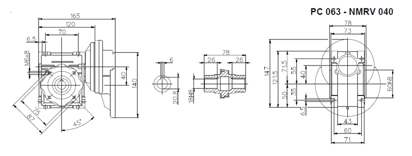
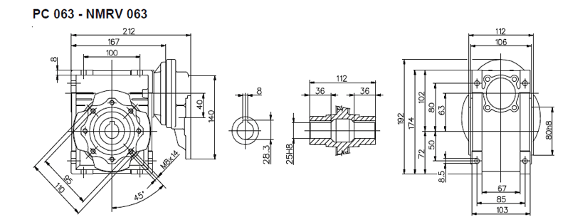
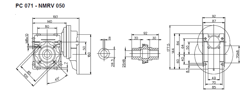
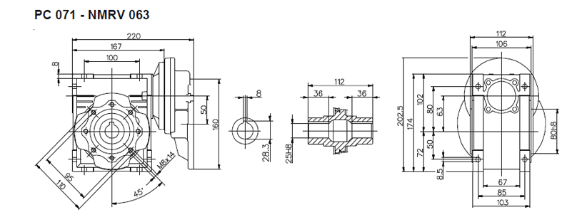
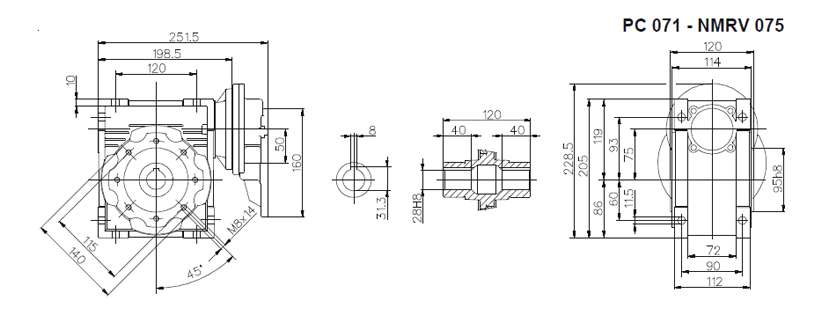
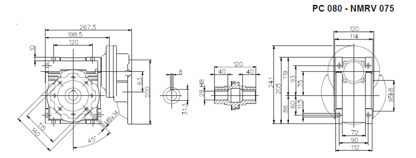
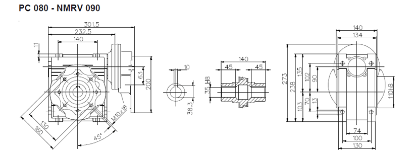
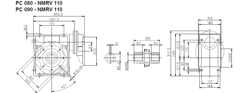
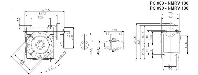
Габаритные и присоединительные размеры











Монтажные положения

Порядок установки цилиндрической ступени PC на электродвигатель

Для правильной установки шестерни на вал электродвигателя необходимо придерживаться следующих инструкций:
- a) Тщательно очистить вал электродвигателя
- b) Удалить призматическую шпонку двигателя
- c) Закрепить втулку (1) на ведущем валу, как показано на рисунке, используя прокладочный герметик (7). Для облегчения процесса можно нагреть втулку примерно до 70-80°C.
- d) Установить новую втулку (3) вместо удаленной.
- e) Установить шестерню (4), соблюдая требования пункта (c).
- f ) Установить шайбу (5) и затянуть винт (6).
- g) Удалить резиновую крышку в месте посадки сальника, действуя с осторожностью, поскольку предварительный модуль заполнен смазкой.
- h) Установить сальник (2) и двигатель в сборе, следить за тем, чтобы не повредить резиновый борт сальника.
Для бесперебойной работы без лишней вибрации и шумов рекомендуется использовать двигатели ABLE.
Выходные обороты и мощность электродвигателей (кВт)
|
| |