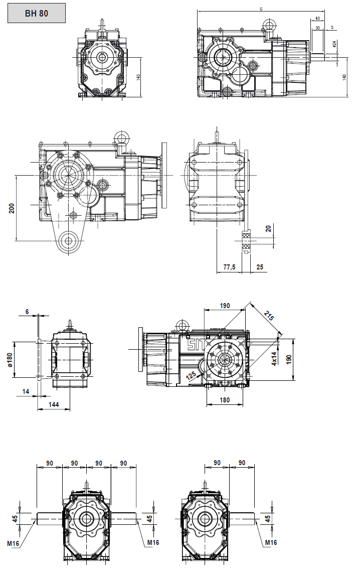
Габаритно-присоединительные размеры MBH 80

 

Назад

Габаритно-присоединительные размеры MBH 80

А
G
ВН 80
438,5
МВН80 РАМ 71
87
391
МВН80 РАМ 80
87
391
МВН80 РАМ 90
87
391
МВН80 РАМ 100
109,5
413,5
МВН80 РАМ 112
109,5
413,5
МВН80 РАМ 132
116
420
MBHGC80 GR.71
144
448
MBHGC80 GR.80
144
448
MBHGC80 GR.90
144
448
MBHGC80 GR.100
168
472
MBHGC80 GR.112
168
472
MBHGC80 GR.132
188
492

 

i
MBH
MBHGC
71
80
90
100
112
132
71
80
90
100
112
132
7,62
8.89
10,42
12,43
14,51
17,01
22,84
26,17
30,24
35,33
39,59
47,38
54,19
62,81
74,09
99,45
128,42
153,41
172,39
193,56

Назад

 
© 2014 Редукторы, мотор-редукторы, устройства плавного пуска, преобразователи частоты